Stainless steel sanitary flow meter for milk or beer, with a PTFE lining that handles acid, alkali, salt, and high temps 70℃. Comes in DN15 to DN100 sizes, with flange or clamp connections. Perfect for milk, beer, and other clean liquids in dairy, brewing, beverage, pharma, and cosmetics industries.
Specification
| Nominal Diameter |
DN15/DN25/DN32/DN40/DN50/DN65/DN80/DN100 |
| Maximum Flow Rate |
15m/s |
| Accuracy |
±0.3% of display value (flow rate ≥1m/s); ±3mm/s (flow rate <1m/s) |
| Fluid Conductivity |
>5uS/cm |
| Nominal Pressure |
1.6MPa |
| Ambient Temperature |
-10℃~60℃ |
| Lining Material |
Polytetrafluoroethylene(DN15-DN50), Polychloroprene rubber(DN65-DN100) |
| Maximum Fluid Temperature |
70℃ |
| Connection Flange Material |
Carbon Steel |
| Grounding Flange Material |
Stainless Steel |
| Enclosure Protection |
IP65 |
| Installation |
Flange/Clamp (optional) |
| Display Color |
White/Black (random) |
Note: Cannot measure liquids with low conductivity such as pure water and oil. Matching flanges, bolts, and gaskets need to be purchased locally.
Feature

- Hygienic Design: Specially designed for sanitary applications like milk, beer, and other beverages, with smooth surfaces and easy-to-clean construction.
- 304 Stainless Steel Body: Made from high-quality 304 stainless steel, offering excellent corrosion resistance, oxidation resistance, and no lead or rust. It is non-stick, easy to clean, and ideal for food-grade environments.
- PTFE Liner: Equipped with a polytetrafluoroethylene (PTFE) liner that is stable, resistant to aging, acids, alkalis, salt corrosion, and high temperatures. It ensures minimal pressure loss and excellent media flow characteristics.
- Connection Options: Sanitary flow meter supports flange or clamp (tri-clamp) connections for easy integration into sanitary pipeline systems.
- High Accuracy: Stainless steel milk flow meter provides measurement accuracy up to ±0.5%, suitable for precise flow control in dairy, brewing, and other food industries.
Display Description

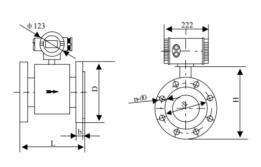
Dimension (unit: mm)

| Nominal Diameter DN |
D |
d1 |
d0 |
n |
b |
L |
H |
| 15 |
95 |
65 |
14 |
4 |
14 |
200 |
220 |
| 20 |
105 |
75 |
14 |
4 |
16 |
200 |
220 |
| 25 |
110 |
85 |
14 |
4 |
16 |
200 |
230 |
| 32 |
140 |
100 |
18 |
4 |
18 |
200 |
235 |
| 40 |
150 |
110 |
18 |
4 |
18 |
200 |
245 |
| 50 |
165 |
125 |
18 |
4 |
20 |
200 |
250 |
| 65 |
185 |
145 |
18 |
4 |
20 |
200 |
270 |
| 80 |
200 |
160 |
18 |
8 |
20 |
200 |
285 |
| 100 |
220 |
180 |
18 |
8 |
22 |
250 |
300 |
Length Requirements for Front and Rear Straight Pipe Sections
Application
Tips: What is a sanitary flow meter and why is it used for milk or beer?
A sanitary flow meter is a specialized flow measuring device designed for hygienic applications, such as in the dairy and brewing industries. It is made with 304 or 316L stainless steel and food-grade liners (like PTFE) to ensure corrosion resistance, easy cleaning, and compliance with food safety standards. For milk and beer production, it helps monitor and control flow during pasteurization, fermentation, filtration, and filling, ensuring accurate batching and quality consistency.